DC Circuit. And there types.
Definition :
Direct current.
The current that always flow in one direction is called direct current.
The current supplied by A cell , battery or generator.
D.C. Circuit.
The closed path followed by direct current is called a d.c. circuit. A d.c. circuit essentially consist of a source of direct voltage (e.g battery), the conductors used to carry current and the load.
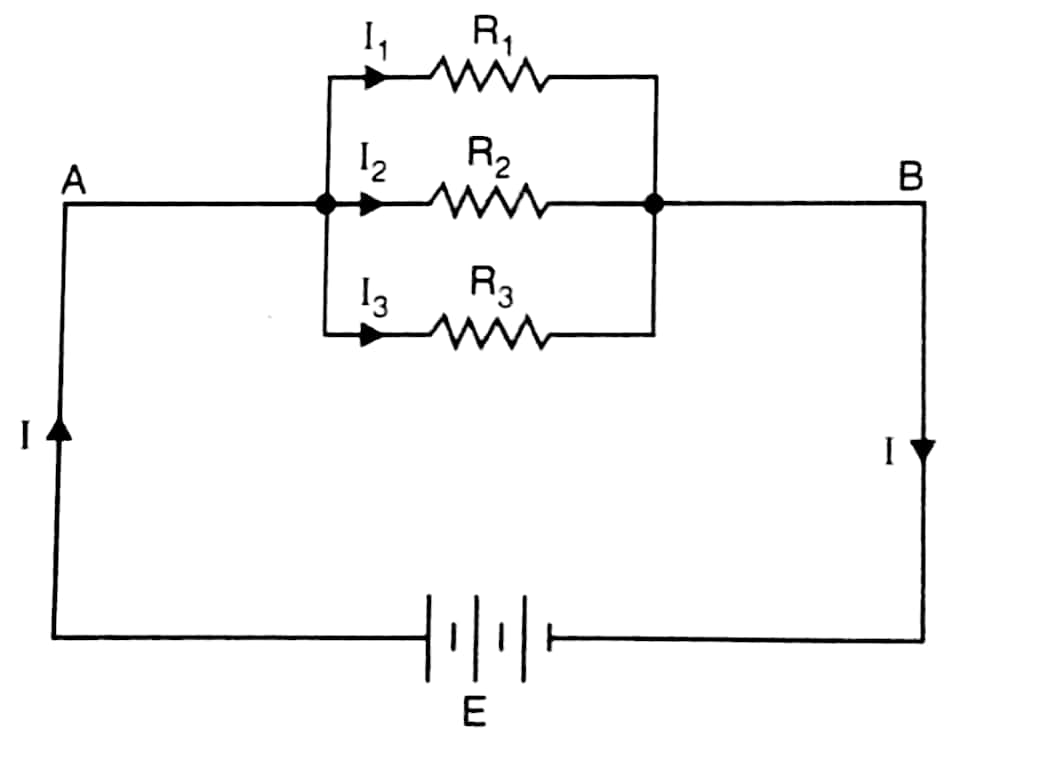
Shows a figure.
A bulb connected to a battery through conducting wires. The direct current Starts from positive terminal of the battery 🔋🔋🔋
And comes back to the starting point via the load.
Types of DC circuit
1 Resistors in Series
2 Resistors in Parallel
3 DC Series Parallel Circuit
1. Resistor in series
A number of resistors are said to be connected in series if the same current flows through each resistor and there is only one path for the current flow through out .consider three resistors of resistance R1, R2 and R3 connected in series across a battery of E volts .
The total resistance Rt is show
RT = R1 + R2 + R3
The Resistance is equal to the sum of the individual Resistance.
3. D.C. Series Parallel Circuit






Comments
Post a Comment